Системы измерительные "АЛКО-1"
Номер в ГРСИ РФ: | РБ 03 26 2859 14 |
---|---|
Раздел: | Средства измерений, применяемые в составе технологического оборудования для производства непищевой и спиртосодержащей продукции и этилового спирта [26] |
Производитель / заявитель: | АО "Арзамасский приборостроительный завод имени П.И.Пландина", г. Арзамас, Нижегородская обл. |
Системы измерительные "АЛКО-1" (в дальнейшем - системы), предназначены для измерений и учета коньячных спиртов, водно-спиртовых и многокомНО'нентных спиртосодержащих растворов с удельной электропроводностью от 5-10’5 до 10 См/м (в дальнейшем - измеряемая среда), объемной концентрации (в дальнейшем - крепость) и объема спирта, содержащегося в измеряемой среде, температуры измеряемой среды, а также для подсчета количестве бутылок.
Информация по Госреестру
Основные данные | |
---|---|
Номер по Госреестру | РБ 03 26 2859 14 |
Наименование | Системы измерительные "АЛКО-1" |
Год регистрации | 2014 |
Номер сертификата | 8953 |
Дата регистрации | 2014-01-30 |
Срок действия | 2017-11-12 |
Получатель сертификата | ОАО "Арзамасский приборостроительный завод им. П.И.Пландина", г. Арзамас Нижегородской обл., Россия (RU) |
Производитель / Заявитель
ОАО "Арзамасский приборостроительный завод им. П.И.Пландина"
Адрес: 607220, г. Арзамас Нижегородской обл., ул. 50 лет ВЛКСМ, 8
Контакты: Тел: +7 495 831-47 7-91-20, 7-91-21 / факс +7 495 831-47 4-46-68 / E-mail: apz@oaoapz.com
Поверка
Межповерочный интервал / Периодичность поверки | 12 мес. |
Методика поверки | Поверка проводится в соответствии с ЛГФИ.407219.004 МИ, утвержденной в 2013 г. На территории Республики Беларусь поверку систем с первичными преобразователями расхода ППР-7 с Ду = 50 мм проводить на месте эксплуатации при использовании рабочей среды в качестве поверочной; поверку систем с первичными преобразователями ППР-7 с Ду > 50 мм проводить на проливных расходомерных установках Республики Беларусь (поверочная среда - вода). |
Поверители
Скачать
Описание типа РБ 03 26 2859 14 [2010-12-02]
rb-03-26-2859-14_2010-12-02.pdf
|
Скачать | ||
Описание типа РБ 03 26 2859 14 [2014-07-07]
rb-03-26-2859-14_2014-07-07.pdf
|
Скачать |
Описание типа
Назначение
Системы измерительные "АЛКО-1" (в дальнейшем - системы), предназначены для измерений и учета коньячных спиртов, водно-спиртовых и многокомНО'нентных спиртосодержащих растворов с удельной электропроводностью от 5-10’5 до 10 См/м (в дальнейшем - измеряемая среда), объемной концентрации (в дальнейшем - крепость) и объема спирта, содержащегося в измеряемой среде, температуры измеряемой среды, а также для подсчета количестве бутылок.
Описание
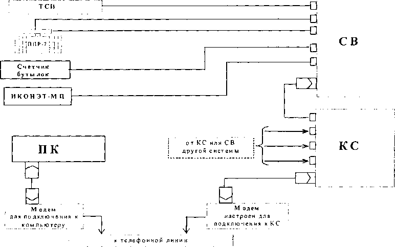
Система включает в себя специализированный вычислитель СВ-5 (в дальнейшем - СВ) контроллер связи КС, модем, устройство сбора и обработки информации на базе персонального компьютера и устройства, именуемые в дальнейшем датчиками:
- первичный преобразователь расхода ППР-7 электромагнитный для измерений расхода среды;
- оптический спиртомер "ИКОНЭТ-МП" (Госреестр № 19880-07) для измерения объемной концентрации спирта в среде (в дальнейшем - крепость);
- термопреобразователь сопротивления платиновый с градуировочной характеристике! 100П типа ТС-Б-Р (Госреестр №43287-09) или ТСП012 (Госреестр №43587-10) или ТСП001 (Госреестр №41750-09) для измерений температуры среды;
- универсальный счетчик бутылок УСБ-3 (УСБ-5) или управляющий модуль учета про дукции УМУП (в дальнейшем - счетчик бутылок) для измерений количества бутылок, про шедших через зону контроля счетчика.
По заказу потребителя система может поставляться без счетчика бутылок и (или) бе: спиртомера.
Сигналы от всех перечисленных датчиков передаются на специализированный вычисли тель СВ, который производит их обработку, индикацию и архивацию параметров измеряемо! среды.
Устройство сбора и обработки информации на базе персонального компьютера служи' для визуализации всех показателей измеряемой среды и вывода их на печать.
Контролер связи КС позволяет использовать один персональный компьютер для вывод; информации с нескольких систем. Максимальное количество таких систем - 4. Возможш каскадное включение 4-х КС. В этом случае имеется возможность использовать один персо нальный компьютер для вывода информации с 13-ти систем.
Модем обеспечивает передачу информации между СВ и ПК посредством телефонно: линии.
Система выводит на индикатор СВ и экран дисплея следующие параметры: суммарны: объем измеряемой среды при рабочей температуре и приведенный к температуре 20 °C; сум марный объем безводного спирта, содержащегося в измеряемой среде; текущий объемны: расход; крепость измеряемой среды; температуру измеряемой среды; суммарное количеств, бутылок, прошедших по линии розлива; текущее время и текущую дату; сообщения об ошиб ках.
Система также обеспечивает: сохранение ранее измеренных значений объемов, крепе сти, количества бутылок и времени наработки при отключении питания системы с отметкой памяти момента отключения; индикацию показателей за смену с возможностью сброса теку щей индикации; хранение в архиве шестнадцати сброшенных информаций о показателях з смену; создание суточного архива глубиной 5 лет, часового глубиной 6 месяцев и возмож ность вывода из архивов на собственный индикатор информации о суммарных объемах, крс пости, температуре, количестве бутылок, отключении питания системы и ошибках за любы
сутки пяти лет или за любой час шести месяцев по отношению к текущей дате, индицируемой СВ; вывод на экран собственного ПК или внешней ЭВМ типа IBM PC информации из архивов; возможность корректировки текущей даты и текущего времени, изменения масштабирующего коэффициента, ввода кода пользователя системы, изменения пароля пользователя.
В зависимости от диапазона измерений крепости и погрешности измерений объема система выпускается в Зх исполнениях, которые в условном обозначении системы (при комплектовании ее спиртомером) обозначаются символами "ПП685", "2" и "3".
Примеры обозначений: АЛКО-1(ПП685)-20, АЛКО-1-32-3, АЛКО-1-20-2.
Датчики системы имеют степень защиты не хуже IP54 по ГОСТ 14254, не подвержены нагреву выше плюс 80 °C, не имеют искрящих элементов и могут эксплуатироваться согласно ПУЭ “Правила устройства электроустановок” в помещениях класса:
- В-1а - исполнение "2" и "3";
- В-16 - исполнение "ПП685".
ППР-7 в комплекте с СВ, а также каждый из остальных датчиков системы обладают взаимозаменяемостью.
Конкретный состав системы (наличие в системе счетчиков бутылок, контроллера КС, персонального компьютера, спиртомера) определяется вариантом поставки (по заказу потребителя).
Общий вид СВ и места пломбирования приведены на рисунке 1.

1-пломба завода-изготовителя; 2-клеймо поверителя;
3-пломба специалиста, проводившего пуско-наладочные работы Рисунок 1
Схема соединений составных частей системы приведена на рисунке 2.

Рисунок 2
Программное обеспечение
Программное обеспечение, записанное в микроконтроллер СВ, производит обработку данных, поступающих от датчиков, и вывод результатов измерений на табло.
Защита программного обеспечения осуществляется посредством исключения возможности изменения (модификации) программного обеспечения, занесенного в память контролера с помощью внешних воздействий или набора команд, передаваемых от внешней ЭВМ в контролер по стандартному интерфейсу.
Идентификационные данные программного обеспечения, записанного в СВ, приведены в таблице.
Наименование программного обеспечения |
Идентификационное наименование ПО |
Номер версии (идентификационный номер) ПО |
Цифровой идентификатор ПО (контрольная сумма исполняемого кода) |
Алгоритм вычисления цифрового идентификатора ПО |
W_5_00.txt |
ЛГФИ.00242 |
версия 5.00 |
C5FA |
16-ти битная сумма всех байт, входящих в файл кода программы |
Уровень защиты программного обеспечения от непреднамеренных и преднамеренных изменений - С, в соответствии с МИ 3286-2010.
Технические характеристики
Наименование параметра |
Значение параметра | ||||||
Диаметр условного прохода ППР-7, мм |
20 |
32 |
40 |
50 |
80 |
100 |
150 |
Максимальный расход (Qmax), л/с (м3/ч) |
1,00 (3,60) |
3,33 (12,0) |
4,00 (14,4) |
6,4 (23,04) |
22,2 (80) |
33,3 (120) |
69,4 (250) |
Минимальный расход (Qmin), л/с (м3/ч) |
0,034 (0,12) |
0,22 (0,80) |
0,40 (1,44) |
0,64 (2,30) |
0,8 (2,88) |
1,26 (4,54) |
3,2 (11,52) |
Масса ППР-7, кг, не более |
4,0 |
4,3 |
5,0 |
6,0 |
9,0 |
11,0 |
37,0 |
Масса СВ не более 4,0 кг.
Масса КС не более 4,0 кг.
Пределы допускаемой относительной погрешности при измерении суммарного объема равны:
±0,5 % для исполнений "2" и "3";
±0,4 % для исполнения "ПП685".
Диапазон измерений крепости:
- от 38 до 75 % для исполнения "3";
- от 3 до 60 % для исполнений "2" и "ПП685".
Пределы допускаемой абсолютной погрешности измерений крепости для исполнений "2" и "3" равны:
- ±0,2 % для исполнения'^" в диапазоне от 9 до 75 % и для исполнения "3";
- ±0,25 % для исполнения "ПП685" и в диапазоне крепости от 3 до 8 % для исполнения "2".
Пределы допускаемой относительной погрешности измерений объема безводного спирта, приведенного к температуре плюс 20 °C, равны:
- ±0,8 % в диапазоне крепости от 38 до 75 %;
- ±1,5 % в диапазоне крепости от 20 до 38 %;
- ±3,0 % в диапазоне крепости от 9 до 20 %;
- ±4,0 % в диапазоне крепости от 7 до 9 %.
В диапазоне крепости от 3 до 7 % пределы допускаемой относительной погрешности измерений объема безводного спирта, 8s пр, %, определяются по формуле
8snp=±25/S,
где S - измеряемое значение крепости, %.
Диапазон температуры измеряемой среды:
- от 1 до 80 °C для систем исполнения "ПП685";
- от минус 30 до 80 °C для систем исполнения "2" и "3".
Примечание - Температура измеряемой среды, поступающей в рабочую кювету спиртомера должна быть не ниже 5 °C. Допускается промывка трубы ППР-7 паром температурой до 120 °C.
Пределы допускаемой абсолютной погрешности измерений температуры ±0,5 °C.
Давление измеряемой среды не более 0,25 МПа для систем со спиртомером и не более 1,6 МПа для систем без спиртомера.
Длина соединительных кабелей между СВ и датчиками - не более 50 м.
Электропитание - от сети переменного тока частотой (50±1) Гц напряжением (220 +33) В.
Потребляемая мощность не более 250 В-А.
Система устойчива к воздействию внешнего постоянного магнитного поля напряженно
стью до 400 А/м и переменного магнитного поля с частотой 50 Гц напряженностью до 80 А/м. ____Климатические условия эксплуатации системы приведены в таблице.________________
Наименование параметра |
Значение параметра для: | |
ППР-7, спиртомера, ТСП, счетчика бутылок |
вычислителя СВ, контроллера связи КС, модемов | |
Температура окружающей среды, °C |
от минус 30 до 35 °C |
от 15 до 35°С |
Относительная влажность |
не более 98 % |
не более 80 % |
при температуре |
не более 35 °C |
не более 25°С |
Средняя наработка на отказ - не менее 12000 ч.
Средний срок службы - не менее 8 лет.
Знак утверждения типа
наносится на лицевую панель вычислителя СВ методом трафаретной печати и на титульный лист паспорта - типографским способом.
Комплектность
Наименование |
Кол. |
Примечание |
Система измерительная "АЛКО-1" |
1 |
Состав согласно заказу |
Комплект эксплуатационной документации |
1 | |
Методика поверки ЛГФИ.407219.004 МИ |
1 |
Поверка
осуществляется по методике "ГСИ. Система измерительная "АЛКО-1". Методика поверки" ЛГФИ.407219.004 МИ, утвержденной ГЦИ СИ ФГУП "ВНИИМС" в августе 2012 г.
Основное поверочное оборудование:
- поверочная установка, от 0,05 до 250 м3/ч, погрешность ±0,15 %;
- мерник образцовый металлический второго разряда по ГОСТ 8.400-80, номинальная вместимость 200 дм3, погрешность ±0,1 %;
- магазин сопротивлений Р4831, сопротивление от 90 до 100100 Ом, класс 0,02.
Сведения о методах измерений
изложены в руководстве по эксплуатации ЛГФИ.407219.004 РЭ.
Нормативные документы
1. ГОСТ Р 52931-2008 "Приборы контроля и регулирования технологических процессов. Общие технические условия"
2. ГОСТ 12.2.007.0-75 "ССБТ. Изделия электротехнические. Общие требования безопасности".
3. ЛГФИ.407219.004 ТУ Системы измерительные "АЛКО-1". Технические условия.